NPN/PNP output wiring
2023-10-31
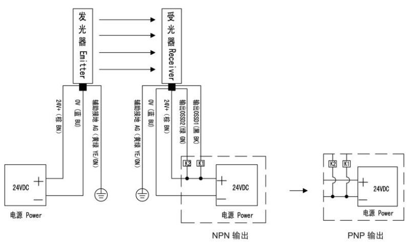
Wiring of SNA/B/C/Q, STD/Q, SQL type safety light curtain NPN/PNP type output sensors (emitters, receivers) and control units:

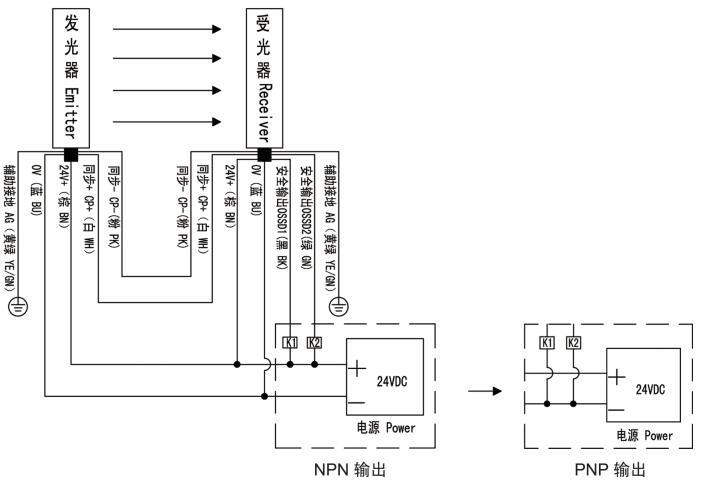
SND/E series safety light curtain NPN/PNP output wiring:

S4 series safety light curtain NPN/PNP output wiring:

SFA series safety light curtain NPN/PNP output wiring:

MC series safety light curtain NPN/PNP output wiring:

MC II series safety light curtain NPN/PNP output wiring:

SND/E series self-learning safety light curtain wiring:
